Juno just keeps on giving. NASA's Jupiter-studying spacecraft snuggled up to the gas giant's intriguing moon Europa last week and the images are still arriving. The latest is a super close-up view of the moon's surface showing what NASA describes as "a puzzling region of the moon's heavily fractured icy crust." Â
Our first views from the Sept. 29 flyby came in last week, showing some fetching JunoCam looks at Europa's complex surface. The new image comes from a different camera called the Stellar Reference Unit. Its main job is to help orient Juno, but in this case it captured a stunning view of Europa covering an area of about 93 miles (150 kilometers) by 125 miles (200 kilometers).
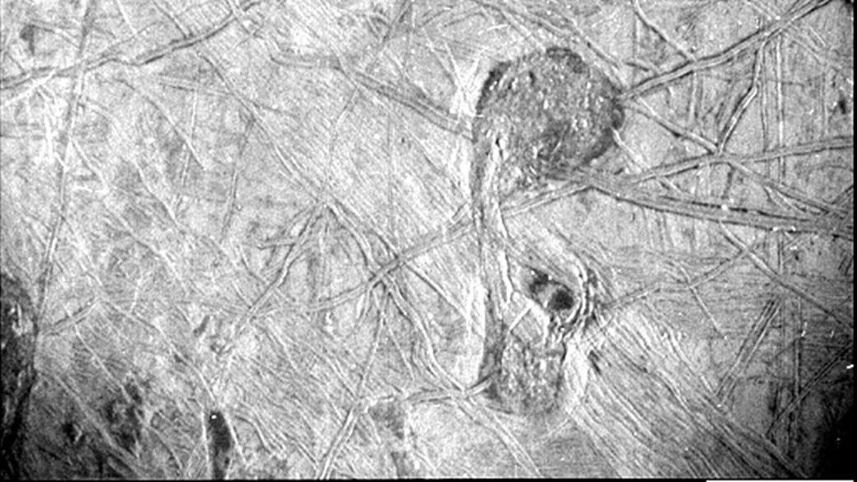
This full image shows what Juno's SRU camera saw during a flyby.
Surface features like grooves and double ridges (elevated areas marked by parallel lines) stand out in the black-and-white view. The area is seen at night lit by reflected sunlight from Jupiter. Juno was just 256 miles (412 kilometers) above the surface when SRU snapped the image.
"The team's use of a star-tracker camera for science is a great example of Juno's groundbreaking capabilities," SRU lead co-investigator Heidi Becker said in a NASA statement. These features are so intriguing. Understanding how they formed -- and how they connect to Europa's history -- informs us about internal and external processes shaping the icy crust."
NASA pointed out dark stains "possibly linked to something from below erupting onto the surface" near the upper right and to the right and below the center of the image. Scientists suspect Europa is hiding a vast subsurface liquid ocean. It's also home to mysterious plumes.
The moon is considered a good candidate for possibly hosting alien life. It will be the target of NASA's upcoming Europa Clipper mission, set to launch in 2024. Juno's work is giving scientists a preview as they prepare Europa Clipper. Â
Juno already visited Jupiter's moon Ganymede and will cozy up to Io in 2023. The moon observations are part of the spacecraft's extended mission. The gas giant is surrounded by dozens of moons, but the ones Juno is visiting are its largest and most interesting. Europa's wild, alien landscape is one more highlight from Juno's work.


